6月30日,世界的目光汇聚东方,见证了北京大兴国际机场主要工程项目如期顺利竣工。新机场外观如凤凰展翅,带来吉祥与祥瑞;建研科技工程咨询院和建研结构秉承先进的建筑技术及全方位的顾问咨询服务带着强大的社会责任感,为新机场的建设贡献力量;运用核心预应力技术为这只浴火凤凰“强筋壮骨”。
在项目推进过程中,我们的工程咨询院和建研结构具体做了哪些工作呢?
作为国内一流的建筑咨询单位,工程咨询院为大兴机场提供了全方位的顾问咨询服务
1. 风荷载试验
北京大兴国际机场航站楼、塔台、机库等结构物均为抗风敏感建筑,其主体结构和围护结构的风荷载确定事关建筑安全,是重中之重!
建研科技抗风研究中心先后完成了北京大兴国际机场航站楼、东塔台、东航机库、南航机库等项目风洞试验和风振分析工作,为值机候机、空中交通指挥、飞机维护等各工种相关建筑结构的抗风设计提供荷载取值依据。
此外为保障航站楼屋面围护结构的安全,对屋面夹层结构进行了节段模型风洞试验。
2航站楼积雪飘移试验
考虑到机场屋盖跨度极大,积雪在风力作用下飘移可能形成不均匀堆积,对屋盖安全带来威胁。为此,建研科技抗风研究中心完成了航站楼的雪荷载模拟试验,得出的屋面积雪分布系数为结构抗雪设计提供了基础的计算资料
3塔台振动台试验
机场塔台顶层视野需求高,支撑构件少,跨度大,地震作用下鞭梢效应显著,是结构抗震设计需关注的重点部位。建研科技结构研究中心完成了北京大兴国际机场东塔台项目的模拟地震振动台模型试验,发现了结构薄弱环节并提出合理化建议,保证了塔台的抗震安全。

4.空铁一体化的安全性和舒适性分析
北京大兴国际机场是目前中国规模最大的空铁一体化综合交通枢纽。航站楼下方有京雄线、地铁专线和廊涿城际铁路三条线路通过。
需要解决三方面问题:
1. 列车过站对建筑结构安全性的影响;
2. 列车过站对结构振动的影响;
3. 列车过站的气动噪声、轮轨噪声及其传播对环境的影响。
建研科技抗风研究中心和结构研究中心通过CFD数值模拟和结构分析,提出了具有针对性的局部加强以及减噪措施,圆满的解决了上述问题。
竖向加速度分布 B1层
5.隔震支座和黏滞阻尼器检验
北京大兴国际机场采用了国内首创的层间隔震技术,建成后的机场航站楼,将成为全球最大的单体隔震建筑。我公司减隔震技术研究中心完成了机场1238套隔震支座和弹性滑板支座以及144套黏滞阻尼器的检测工作,保证了机场减隔震产品满足相关标准和设计的要求。
建研结构运用预应力技术,保障了新机场项目主体结构的安全性、坚固性、稳定性;用预应力筋将整个混凝土结构连成为一个整体,预应力筋为新机场的混凝土结构“强筋壮骨”,为百年大计贡献力量。采用预应力技术使得工程技术含量明显增加,且有广泛的经济效益和社会效益。
1.为主体结构施工解决的技术问题
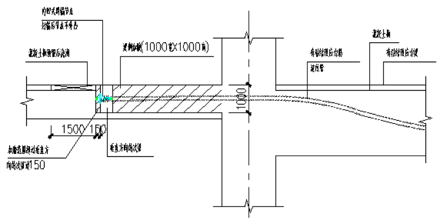
为解决大跨度挠度和混凝土收缩应力,本工程采用有粘结和无粘结预应力技术解决超长结构不设缝的问题。超长结构构件主要有:楼层梁、板,有粘结预应力筋主要布置在大跨度主梁内,无粘结预应力主要布置在主、次梁及板内。温度无粘结预应力主要分布区域为:B1层、F1层、F2层、F3层、F4层、F5层的梁、板内,无粘结预应力筋板内配筋为2Фs15.2@1000。
2.有粘结梁预应力施工解决大跨度应力需求
根据建筑构造和工艺流程的要求,本工程地下二层为高铁和地铁预留通道,需满足18m宽(轴线尺寸),因此托柱转换梁采用预应力混凝土结构,结构预应力筋采用有粘结预应力技术解决。有粘结预应力梁最大截面尺寸为2600×2500,预应力配筋为8×14、112根。由于预应力筋根数较多并且钢筋比较密集,所以采取梁加腋方式出张拉端在板内张拉,解决了大跨度应力问题满足了建筑所需的宽度。


3.温度无粘结预应力筋施工解决混凝土开裂
为减小超长混凝土开裂问题,本工程大部分楼层梁和板内布置温度预应力筋采用无粘结后张预应力技术。无粘结预应力梁最大梁截面尺寸为1800×1350,预应力配筋为4×14、56根。板无粘结预应力筋为2根@1000。